目 录
1 概述............................................................................................................................1
1.1 编制目的与适用范围......................................................................................1
1.2 基本规定..........................................................................................................2
1.3 构件编号规则..................................................................................................3
2 水平板类....................................................................................................................7
2.1 一般规定..........................................................................................................7
2.2 楼板、空调、阳台板构件常用尺寸..............................................................8
2.3 水平板类的配筋............................................................................................14
3 楼梯..........................................................................................................................16
3.1 一般规定........................................................................................................16
3.2 楼梯构件的常用尺寸....................................................................................16
3.3 楼梯配筋........................................................................................................20
3.4 连接节点........................................................................................................21
4 墙板..........................................................................................................................22
4.1 一般规定........................................................................................................22
4.2 无洞口墙板构件常用尺寸............................................................................24
4.3 一个窗洞的外墙板构件常用尺寸................................................................26
4.4 一个门洞的外墙板构件常用尺寸................................................................29
4.5 一个门洞、墙洞的内墙板构件常用尺寸....................................................31
4.6 墙板配筋........................................................................................................33
5 梁..............................................................................................................................34
5.1 一般规定........................................................................................................34
5.2 梁构件常用尺寸............................................................................................37
5.3 梁构件配筋....................................................................................................40
6 柱..............................................................................................................................41
6.1 一般规定........................................................................................................41
6.2 柱构件的常用尺寸........................................................................................43
6.3 柱构件配筋....................................................................................................441 概述
1.1 编制目的与适用范围
1.1.1 为推进装配式混凝土结构住宅的工业化建造,提升预制混凝土构件的标准 化应用水平,提高生产和施工效率,节约工程建设成本,制定本指南。
【注释】
本指南编制目的是将标准化理念贯穿于装配式混凝土结构住宅设计、制作、 施工、运营维护全过程,引导建筑设计、构件生产、施工安装企业就构件常用截面形式、尺寸和长度等进行协调统一。标准化预制构件体系的构建应满足建筑设计的选用方便、构件生产的连续化和标准化、安装施工的标准化和通用化等需求。
为推动我国新型建筑工业化的发展,在满足功能要求的基础上,将标准化理念贯穿于建筑设计、产品生产、施工建造的全过程,扩大标准化部品部件的使用规模,逐步实现其通用性和互换性,以此促进建筑业减少手工作业、降低生产成本、减少垃圾排放,实现保护环境、节约资源的目的,这也是我国建筑行业从粗放的劳动密集型向集约的技术密集型转型,进而促进社会化协作生产的重要路径。
标准化并不等同于单一化。随着我国经济的迅速发展以及人民生活水平的不断提高,对建筑多样化的要求越来越高。装配式混凝土结构住宅应遵循少规格、多组合的设计原则,在实现基本功能空间满足要求的基础上,形成多样化的工业化建筑系列,并带动相关部品部件的标准化和系列化,实现标准化和多样化的统一。
标准化预制构件体系的建立是一个由简单、少量到丰富、系统的发展过程,通用化、定型化、商品化是需要坚持的基本要求,集成化、参数化、指标化、信息化及平台共享等是需要不断发展完善的内容。本技术指南的编制旨在为各地区进行标准化预制构件体系的编制工作提供借鉴,为企业编制预制构件产品标准和产品应用手册提供技术支撑,各方共同以预制构件功能和性能指标要求为核心,不断改进和研发适宜的标准化部品部件及接口标准等。
1.1.2 本指南中的构件适用于装配式混凝土结构住宅,可按表 1.1.2 选用。

【注释】
住宅建筑与人民生命财产的安全密切相关,为确保装配式混凝土结构住宅工程设计、构件制作和施工质量,本指南选择了目前有理论基础、工程实践已积累一定经验、适宜于住宅建筑的结构体系,并以此为基础,对相关预制构件及其节点构造等进行了尺寸的标准化引导,并推荐了这些构件的编号规则,便于构件设计选用和大规模工厂化生产。
1.2 基本规定
1.2.1 装配式混凝土结构住宅常用预制构件的外观几何形状、标志尺寸等,应满足住宅建筑使用功能的需求,并应综合考虑其使用频率以及经济性。
【注释】
装配式混凝土住宅建筑的标准化设计,是在对住宅建筑各个功能空间进行人体工学研究的基础上,在满足其功能需求的前提下,研究并实现基本功能空间的标准化,进而提炼标准化的部品部件及其节点接口,并使其系列化。
1.2.2 本指南的构件及节点、接口尺寸采用了标志尺寸和制作尺寸。
【注释】
预制构件的标志尺寸是指符合模数数列的规定,用以标注建筑物定位线或基准面之间的距离。预制构件的制作尺寸是指制作预制构件时所依据的尺寸,它是在标志尺寸的基础上,考虑了安装时节点接口对标志尺寸的影响而确定的。预制构件的实际尺寸是指构件在制作完成后实际测得的尺寸,它包含了在制作过程中产生的不可避免的制作偏差。节点接口尺寸应与预制构件的制作公差相协调,实现预制构件之间的尺寸配合和协调工作。
1.2.3 本指南预制构件尺寸是根据国家现行标准《建筑模数协调标准》GB/T50002、《工业化住宅尺寸协调标准》JGJ/T 445 及《装配式混凝土建筑技术体系发展指南(居住建筑)》、有关国家标准设计图集等规定中的构件优先尺寸进行选择的,可作为工程中的通用构件使用。
1.2.4 预制构件制作尺寸用于构件的生产、部品组装和施工安装。
【注释】
装配式混凝土住宅建筑的建造过程中,设计、制作和施工单位在早期的密切合作是十分重要的。预制构件常用标志尺寸的确定,应与构件生产制作单位和施工单位进行充分的协商、讨论,充分考虑生产设备、施工设备、运输路线条件等对于构件尺寸的影响。
1.2.5 剪力墙结构住宅常用层高为 2.8m、2.9m、3.0m 三种;框架结构住宅常用层高为 3m、3.3m、3.6m。
【注释】
本指南构件是在常用层高基础上,选择了适合标准化定型、参数化设计的构件产品类型。
1.3 构件编号规则
1.3.1 水平板种类及编号规则:
1 水平板种类包括:叠合楼板、预应力叠合楼板、空调板和阳台板。
2 叠合板预制底板:

3 预应力叠合板预制底板:

4 预制空调板:

5 叠合阳台板预制底板:

1.3.2 楼梯构件种类及编号规则:
1 楼梯构件种类包括:双跑楼梯和剪刀楼梯。
2 双跑楼梯:


3 剪刀楼梯:

1.3.3 墙板构件种类及编号规则:
1 墙板构件种类包括:无洞口墙板、一个窗洞外墙板、一个门洞外墙板和一个门洞、墙洞内墙板。
2 无洞口墙板:

3 一个窗洞外墙板:

4 一个门洞外墙板:

5 一个门洞/墙洞内墙板:


1.3.4 梁构件种类及编号规则:
1 梁构件种类包括:矩形叠合框架梁构件、矩形叠合次梁构件。
2 矩形叠合框架梁构件:

3 矩形叠合次梁构件:

1.3.5 柱构件编号规则:

【注释】
本指南中预制构件的水平标志尺寸是指其水平定位轴线之间的距离;垂直标志尺寸是指建筑物的层高,一般为本层装修完成面至邻近层装修完成面之间的垂直距离。门窗洞口的水平标志尺寸为门窗制品水平定位基准面之间的距离,一般为洞口的净宽;垂直标志尺寸一般为洞口的净高。
2 水平板类
2.1 一般规定
2.1.1 本章的楼板、空调板、阳台板构件适用于装配式混凝土结构住宅,包括叠合板底板(DBS、DBD)、预应力叠合板底板(YDB)、空调板(KTB)、阳台板
(YTB)。
【注释】
叠合板底板包括桁架钢筋叠合板底板、普通预制混凝土底板。桁架钢筋混凝土底板可参考现行国家标准图集。普通的预制混凝土底板是指不采用桁架钢筋的叠合板底板,尺寸可参照本指南的尺寸。当采用预应力空心板时,可参考《SP 预应力空心板》标准图集选用定型产品。
2.1.2 本章采用如下与楼板、空调板、阳台板构件尺寸相关的设计参数:
1 楼板的跨度取剪力墙或梁的中心线距离;
2 梁的宽度为 300mm;
3 剪力墙的厚度为 200mm;
4 楼板、空调板、阳台板构件进入支座的尺寸为 10mm。
2.1.3 楼板构件采用模台生产、水平运输的方式;构件(包括预制构件及外露钢筋)的宽度不宜大于 3m,长度不宜大于 9m。
2.1.4 楼板底板采用分离式接缝时,预制构件制作尺寸应按照负偏差控制,并满足预制构件验收标准的要求。
2.1.5 楼板、空调板、阳台板构件有预留预埋要求时,可在构件选用明细表中补充说明。
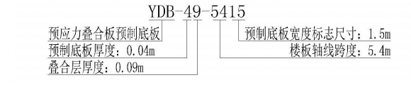
2.1.6 叠合板预制底板宽度宜取 1500mm、1800mm、2100mm、2400mm,也可补充 1200mm、2700mm、3000mm 等尺寸;长度 Ls(图 2.1.6)可按式 2.1.6 确定。
LS=L-aL-aR (2.1.6)
式中:LS——预制底板长度制作尺寸(mm);
L——楼板轴线跨度(mm);
aL、aR——分别为预制底板两端至支座构件中心线的距离(mm);aL=bL-LW,aR=bR-LW,bL、bR分别为楼板两侧支座宽度的一半(mm),LW为预
制底板进入支座的长度(mm),本指南取 LW=10mm。

2.1.7 预制空调板(图 2.1.7-1)和叠合阳台板预制底板(图 2.1.7-2)长度制作尺寸可按式 2.1.7 确定。
LS=L0+LW (2.1.7)
式中:LS——预制空调板长度制作尺寸(mm);
L0——预制空调板净悬挑长度(mm);
LW——预制空调板进入支座长度(mm),本指南取 LW=10mm。

2.2.1 建筑平面开间、进深应满足模数化要求,尺寸宜选用 3M、2M 的整数倍,可选用 1M 的整数倍,不宜选用 M/2 尺寸。叠合板厚度常用尺寸为 130mm、
140mm、150mm、160mm,且不应小于 130mm。预应力楼板厚度常用尺寸为130mm、140mm、150mm、160mm、180mm、200mm。
2.2.2 阳台板沿悬挑长度方向按建筑模数 2M 设计,沿房间开间方向按建筑模数3M 设计,阳台板厚度不宜小于 130mm。
2.2.3 空调板、阳台板板顶结构标高宜与楼板顶板标高一致。
2.2.4 叠合板预制底板常用构件尺寸可按表 2.2.4-1、2.2.4-2 选用。


【注释】
1 叠合板底板截面优先选用 3M 尺寸,优先选用现行国家标准图集《桁架钢筋混凝土叠合板》15G366-1 中的尺寸规格。
2 叠合楼板短跨方向小于 3m 时,叠合板底板可采用整体预制,构件长度应满足生产、运输等要求。
3 剪力墙结构 aL取值为 90mm,框架结构 aL取值为 140mm。
4 叠合板底板厚度的选取宜根据跨度不同,选用不同的尺寸,特别是在场地紧张,道路运输道路平整度差、距离较长等不利条件下,通过增加板厚可以减少生产、施工、运输、堆放等工况下大跨度楼板易开裂的现象。
2.2.5 预应力叠合板预制底板常用构件尺寸可按表 2.2.5 选用。


【注释】
剪力墙结构 aL取值为 90mm,框架结构 aL取值为 140mm。
2.2.6 预制空调板常用构件尺寸,可按表 2.2.6 选用。


【注释】
剪力墙结构 aL取值为 90mm,框架结构 aL取值为 140mm。
2.2.6 预制空调板常用构件尺寸,可按表 2.2.6 选用。

【注释】
阳台板宜采用板式阳台,有利于构件生产及施工环节的质量控制。当阳台板设计封边时,封边与主体结构、外墙外叶板预留 20mm 板缝,构造封边不宜深入支座内。
2.3 水平板类的配筋
2.3.1 叠合板底板钢筋宜采用焊接钢筋网片,水平板类构件的钢筋宜采用HRB400 级钢筋,钢筋直径及间距宜符合表 2.3.1 的规定。

3 楼梯
3.1 一般规定
3.1.1 本章的楼梯板构件适用于装配式混凝土剪力墙结构和装配式混凝土框架、框剪结构住宅,包括双跑楼梯和剪刀楼梯。
3.1.2 构件混凝土强度等级采用 C30。
3.1.3 楼梯间开间及进深的净尺寸应满足 1M 的整数倍。楼梯踏步的高度不应大于 175mm,宽度不应小于 260mm,各级踏步高度、宽度均应相同。
3.1.4 楼梯使用活荷载对于多层住宅为 2.0kN/m2,其他情况考虑人员密集活荷载为 3.5kN/m2。
3.2 楼梯构件的常用尺寸
3.2.1 住宅建筑常用楼梯间可分为双跑楼梯间和剪刀楼梯间两种。
【注释】
高度不超过十八层的住宅建筑,通常每层住宅单元可设置一个安全出口(须满足相关规范要求),故常采用双跑楼梯,十九层及十九层以上的住宅建筑,每层住宅单元的安全出口不应少于 2 个,可采用两部双跑楼梯或一部剪刀楼梯。剪刀楼梯受踏步高度 175mm 和每跑不大于 18 步的限制,故可采用剪刀梯的最大层高为 3.15m,大于此高度的住宅常采用双跑楼梯。
楼梯梯段净宽须考虑扶手及墙面饰面做法对梯段净宽的影响,采暖区的楼梯间墙体上需设置外保温。无论双跑楼梯间还是剪刀楼梯间,扶手均为单侧设置,扶手中线至对面墙面之间的距离为楼梯梯段宽度。以上保温及常规扶手做法均考虑在构件尺寸内,可满足相关规范楼梯梯段宽度不应小于 1100mm 的要求。
3.2.2 楼梯构件常用尺寸见表 3.2.2。

3.2.3 双跑楼梯间常用平面尺寸见图 3.2.3。
【注释】
此部分给出了两种双跑楼梯构件的形式,一种是仅预制梯段板,构件做到最极致尺寸,构件重量最小,在层高不变的情况下,构件种类也最少,标准化程度更高。另补充一种带有休息平台折板的楼梯构件形式,此种构件解决了半层休息平台现场支模浇筑比较麻烦的问题,施工效率更高,每层楼梯折板分为上折和下折两种。不同形式的楼梯构件对应的楼梯开间、进深尺寸,平台宽度等建筑要求均相同。
折板楼梯构件休息平台满足相关规范要求,楼梯平台净宽不应小于楼梯梯段净宽,并不得小于 1200mm,考虑墙面等做法及施工误差等因素,常用平台结构净宽为 1300mm。


【注释】
带平台板的预制楼梯,平台段之间的拼缝可采用打胶或金属(铜、不锈钢)压条等做法进行处理。3.2.4 剪刀楼梯间常用平面尺寸见图 3.2.4。
【注释】
剪刀梯隔墙当不作为承重构件时,100mm 厚各种砌体、条板均可满足隔墙防火要求。考虑楼梯构件标准化的需要,不建议剪刀梯隔墙放置于梯段板上,可
采用现浇或预制梁,梁上设置条板隔墙的方式,或采用预制隔墙板的方式。基于梁宽或预制隔墙板的最小厚度,本条在充分考虑楼梯构件与隔墙之间的安装误差
后,可满足剪刀梯隔墙不大于 150mm 厚的各种情况。

3.3 楼梯配筋
3.3.1 梯板厚度应根据跨度、荷载和支座条件等计算确定:
SAT 板厚:120、130、140mm
SBT、SCT 板厚:130、140mm
JT 板厚:180、190、200mm
3.3.2 预制楼梯梯段板应采用双层双向配筋,常用的钢筋直径:8、10、12、14mm;常用的钢筋间距:200、150、100mm。具体配筋形式参考标准图集。
3.4 连接节点
预制楼梯安装节点大样见国标图集《预制钢筋混凝土板式楼梯》15G367-1 第 27、47 页和《预制钢筋混凝土楼梯(公共建筑)》20G367-2 第 45 页。

4 墙板
4.1 一般规定
4.1.1 本章的墙板构件尺寸适用于装配式混凝土剪力墙结构住宅的一字形预制实心墙板,包括外墙板(WQ)和内墙板(NQ);预制夹心保温外墙板的内叶墙板尺寸可参照本章的外墙板选用,双面叠合类墙板构件尺寸可参照本章的墙板构件选用。
4.1.2 本章的墙板构件类型按建筑墙体洞口的类型、数量可分为无洞口外墙板和内墙板、一个窗洞外墙板、一个门洞外墙板和内墙板、一个墙洞内墙板等。有双洞口的墙板构件中,洞口间的墙肢宜采用预制,其他部分的尺寸可参照本章的墙板构件选用。
4.1.3 本章采用了如下与墙板构件尺寸相关的设计参数:
(1)建筑层高为 2.8m、2.9m、3.0m;
(2)建筑楼面做法尺寸为 100mm;
(3)建筑窗台高度尺寸为 900mm、500mm;
(4)结构楼板厚度尺寸为 150mm;
(5)墙板构件厚度尺寸为 200mm;
(6)墙板构件底面与下层结构楼板顶面间的水平安装缝高度为 20mm。
【注释】
装配式混凝土住宅根据住宅类型、规划限高、节能标准等,在建筑层高、面层厚度、窗台高度等方面有多种尺寸,但随着对住宅建设品质要求的提高,越来越多地区的新建住宅需满足绿色建筑评价标准或健康住宅评价标准的要求,因此,本条款选取了具有较高共性,同时可满足绿色建筑及健康住宅相关要求的空间尺寸,作为应用预制墙板构件的装配式混凝土住宅的适用尺寸。
4.1.4 墙板构件尺寸关系详图 4.1.4。

图 4.1.4 墙板构件尺寸示意
Hi—第 i 层建筑层高;Hw、Lw—墙板构件高度、宽度制作尺寸; Hh、Lh—洞口高度、宽度制作尺寸;Ha、Hb—洞口下、上墙肢高度制作尺寸; La、Lb—洞口左、右墙肢宽度制作尺寸;Hc—墙板构件顶面至本层楼板顶面的高度;Hs—墙板构件底面至下层楼板顶面的高度
4.1.5 建筑墙体洞口的标志尺寸应采用符合 1M 的模数尺寸;带洞口的墙板构件应根据洞口与门、窗、框等部品接口的要求,确定墙板构件内各部分的制作尺(图 4.1.5),并综合确定墙板构件制作和安装的允许偏差值。

图 4.1.5 墙板构件洞口尺寸示意
Hf—门洞、墙洞底至墙板构件底边高度,本指南取 Hf=建筑楼面做法高度-20mm; δ—墙板构件洞边至窗、门安装基准面及墙洞控制面的距离,本指南取δ=5mm
【注释】
带门窗洞口的墙板构件应保证建筑门窗部品按照设计规定的尺寸及接口做法进行规范化的安装施工。因此,墙板构件中洞口的制作完成面不应超出建筑门窗部品的安装基准面。本指南针对采用台模生产的墙板构件,给出了洞口各边的生产控制尺寸δ。需要说明的是,该尺寸不是一个固定的参数,与生产工艺、模具、台模设备、管理等相关;该尺寸还需要与墙板构件的允许尺寸偏差配合使用,一般情况下,墙板构件门窗洞口周边墙体的允许尺寸偏差应按[0,δ]采用。对于带墙洞口的墙板构件,当设计中的墙洞宽度标志尺寸有最小尺寸(如满足疏散宽度)控制要求时,预制墙板的尺寸亦应考虑δ。本指南中带墙洞口的墙板构件(表4.5.2-1~4.5.2-3),δ取为 0。
4.1.6 墙板构件有专业或施工预留洞口、预埋件等要求时,应在墙板构件选用明
细表中补充说明。
4.1.7 墙板两端一形、L 形、T 形现浇连接段长度尺寸取 500mm、600mm。
4.2 无洞口墙板构件常用尺寸
4.2.1 无洞口外墙板主要应用于建筑山墙或电梯井道、楼梯间的外墙区域,无洞口内墙板主要应用于建筑分户墙、公共走道或电梯井道、楼梯间的内墙区域。
4.2.2 无洞口墙板构件的制作尺寸与建筑的层高和结构楼板厚度尺寸有关,可按表 4.2.2-1~4.2.2-3 选用。


4.3 一个窗洞的外墙板构件常用尺寸
4.3.1 建筑外墙的窗洞宜在墙板构件居中设置。
4.3.2 一个窗洞的预制外墙板制作尺寸与建筑的层高和结构楼板厚度尺寸有关,窗洞周边的墙板制作尺寸与窗台建筑高度、建筑地面做法厚度、窗洞标志尺寸等
有关,可按表 4.3.2-1~4.3.2-6 选用。
表 4.3.2-1 一个窗洞的外墙板构件尺寸选用表(一)
设计参数:层高—2800mm,墙板厚度—200mm,楼板厚度—150mm,建筑楼面做法厚度—100mm,建筑窗台高度—900mm,窗洞口宽度标志尺寸—1200mm~2700mm,窗洞口高度标志尺寸—1400mm。

表 4.3.2-2 一个窗洞的外墙板构件尺寸选用表(二)
设计参数:层高—2800mm,墙板厚度—200mm,楼板厚度—150mm,建筑楼面做法厚度 —100mm,建筑窗台高度—500mm,窗洞口宽度标志尺寸—1200mm~2700mm,窗洞口高度标志尺寸—1800mm

表 4.3.2-3 一个窗洞的外墙板构件尺寸选用表(三)
设计参数:层高—2900mm,墙板厚度—200mm,楼板厚度—150mm,建筑楼面做法厚度—100mm,建筑窗台高度—900mm,窗洞口宽度标志尺寸—1200mm~2700mm,窗洞口高度标志尺寸—1400mm。


设计参数:层高—2900mm,墙板厚度—200mm,楼板厚度—150mm,建筑楼面做法厚度—100mm,建筑窗台高度—500mm,窗洞口宽度标志尺寸—1200mm~2700mm,窗洞口高度标志尺寸—1800mm。

设计参数:层高—3000mm,墙板厚度—200mm,楼板厚度—150mm,建筑楼面做法厚度—100mm,建筑窗台高度—900mm,窗洞口宽度标志尺寸—1200mm~2700mm,窗洞口高度标志尺寸—1500mm。


设计参数:层高—3000mm,墙板厚度—200mm,楼板厚度—150mm,建筑楼面做法厚度—100mm,建筑窗台高度—500mm,窗洞口宽度标志尺寸—1200mm~2700mm,窗洞口高度标志尺寸—1900mm。

4.4.1 建筑外墙的门洞包括:阳台门、门联落地窗等形式,宜在墙板构件居中设置。
4.4.2 一个门洞的预制外墙板制作尺寸与建筑的层高和结构楼板厚度尺寸有关,门洞周边墙板尺寸与建筑地面做法厚度、门洞标志尺寸等有关,可按表 4.4.2-1~
4.4.2-3 选用。
表 4.4.2-1 一个门洞的外墙板构件尺寸选用表(一)
设计参数:层高—2800mm,墙板厚度—200mm,楼板厚度—150mm,建筑楼面做法厚度—100mm,门洞宽度标志尺寸—1800mm~3600mm,门洞高度标志尺寸—2300mm。

设计参数:层高—2900mm,墙板厚度—200mm,楼板厚度—150mm,建筑楼面做法厚度—100mm,门洞宽度标志尺寸—1800mm~3600mm,门洞高度标志尺寸—2300mm。

设计参数:层高—3000mm,墙板厚度—200mm,楼板厚度—150mm,建筑楼面做法厚度—100mm,门洞宽度标志尺寸—1800mm~3600mm,门洞高度标志尺寸—2400mm。


4.5.1 建筑内墙的门洞、墙洞用于:户门、户内建筑空间的门、通道穿墙的洞口,门洞位置宜在墙板构件中间设置,洞边墙肢长度不宜小于 600mm。
4.5.2 一个门洞、墙洞的预制内墙板制作尺寸与建筑的层高和结构楼板厚度尺寸有关,洞口周边墙板尺寸与建筑地面做法厚度、洞口标志尺寸等有关,可按表4.5.2-1~4.5.2-3 选用。
表 4.5.2-1 一个门洞、墙洞的内墙板构件尺寸选用表(一)
设计参数:层高—2800mm,墙板厚度—200mm,楼板厚度—150mm,建筑楼面做法厚度—100mm,洞口宽度标志尺寸—900mm~1300mm,洞口高度标志尺寸—2100mm~2300mm。

表 4.5.2-2 一个门洞、墙洞的内墙板构件尺寸选用表(二)
设计参数:层高—2900mm,墙板厚度—200mm,楼板厚度—150mm,建筑楼面做法厚度—100mm,洞口宽度标志尺寸—900mm~1300mm,洞口高度标志尺寸—2100mm~2300mm。

表 4.5.2-3 一个门洞、墙洞的内墙板构件尺寸选用表(三)
设计参数:层高—3000mm,墙板厚度—200mm,楼板厚度—150mm,建筑楼面做法厚度—100mm,洞口宽度标志尺寸—900mm~1300mm,洞口高度标志尺寸—2100mm~2400mm。

4.6 墙板配筋
4.6.1 墙板构件钢筋宜采用焊接封闭箍筋和焊接钢筋网片,宜采用焊接或绑扎的边缘构件纵筋及箍筋钢筋骨架、焊接或绑扎的连梁纵筋及箍筋钢筋骨架、焊接的墙体分布钢筋网片等钢筋制品,并宜使钢筋制品实现尺寸与规格的标准化。
4.6.2 墙板构件宜采用 HRB400 级钢筋,钢筋直径及间距宜符合表 4.6.2 的规定。

5 梁
5.1 一般规定
5.1.1 本章适用于装配式混凝土框架结构住宅常用预制叠合梁构件。
【注释】
由于当前国内在装配式混凝土框架结构住宅中多采用预制叠合梁构件,尚未有全预制梁构件的使用案例,因此本章内容不涉及全预制梁构件。
5.1.2 本章的梁构件包括框架梁和次梁,采用叠合梁做法。
5.1.3 本章的梁构件采用如下相关的设计参数:
(1)梁跨度包括 5400mm、5700mm、6000mm、6600mm、7200mm、7500mm和 8100mm;
(2)框架柱截面宽度为 400mm、500mm、600mm、700mm;
(3)梁构件截面为矩形;
(4)叠合层厚度为 150mm、200mm。
【注释】
装配式混凝土框架结构住宅的跨度选择要考虑梁高对居住空间高度的影响。按照常用住宅最大层高 3.6m 考虑,常用跨度不宜超过 8100mm。相同跨度框架梁构件的制作长度与其两端柱宽度相关,相同跨度次梁构件的制作长度与其两端框架梁宽度相关。
在住宅中一般使用矩形截面梁,梁构件截面预制高度与叠合层厚度相关,叠合层厚度不小于楼板厚度,楼板厚度不大于 150mm 时,梁叠合层厚度为 150mm,楼板厚度大于 150mm 但不大于 200mm 时,梁叠合层厚度为 200mm。 本条款设计参数中选用的尺寸均为常用尺寸。
5.1.4 梁构件有专业或施工预留预埋要求时,可在梁构件选用明细表中补充说明。
5.1.5 梁构件节点连接大样见国标图集《装配式混凝土结构连接节点构造》15G310-1。
5.1.6 梁构件的制作尺寸(图 5.1.6-1、图 5.1.6-2、图 5.1.6-3 和图 5.1.6-4)可按下列规定确定:
【注释】
本条款以梁、柱轴线居中确定梁构件制作长度,梁、柱相对轴线偏心情况可参照本条款公式推导确定。
次梁构件的制作长度还与主次梁构件的连接方式有关,应根据主次梁的连接方式确定。主次梁构件的连接方式可采用铰接连接和刚接连接,条件许可时优先采用铰接连接,便于构件生产和装配。当次梁抗扭或计算假定为刚接时等少数情况采用刚接连接。本条款中主次梁连接方式采用常见“牛担板”铰接连接,其他连接方式可参照国标图集 15G310-1 选用。


1 框架梁构件长度的制作尺寸 La可按式 5.1.6-1 确定。
La L- Bl Br 2C (5.1.6-1)式中: La——框架梁构件的制作长度;
L ——框架柱中心线跨度;
Bl——左侧柱宽度的一半;
Br——右侧柱宽度的一半。
C ——框架梁构件伸入柱边尺寸,一般取 10mm;
2 次梁构件长度的制作尺寸 La可按式 5.1.6-2 确定。
La L-bl -br 20 (5.1.6-2)
式中: La——次梁构件的制作长度;
L ——框架梁中心线跨度;
l b ——左侧框架梁宽度的一半;
r b ——右侧框架梁宽度的一半。
3 梁构件预制高度的制作尺寸 1 h 可按式 5.1.6-3 确定。
h1 h h2 (5.1.6-3)
式中:h1——梁构件的预制高度(mm);
h ——梁构件截面总高度(mm);
h2——梁构件叠合层厚度(mm)。
5.2 梁构件常用尺寸
5.2.1 框架梁构件的制作尺寸与柱网尺寸、柱宽度和叠合层厚度有关,可按表 5.2.1 和表 5.2.2 选用。
表 5.2.1 框架梁构件尺寸选用表(一)
设计参数:叠合层厚度—150mm,柱宽度—400mm、500mm、600mm、700mm,构件截面形状—矩形,梁构件伸入柱边尺寸—C=10mm。


表 5.2.2 框架梁构件尺寸选用表(二)
设计参数:叠合层厚度—200mm,柱宽度—500mm、600mm、700mm,构件截面形状—矩形,梁构件伸入柱边尺寸—C=10mm。

5.2.2 次梁构件的制作尺寸与主梁宽度、主次梁连接方式和叠合层厚度有关,可按表 5.2.2 选用。
【注释】
次梁布置方式优先采用单向双次梁均分布置,以便提高施工功效、保证板构件限宽运输要求。
表 5.2.2 叠合次梁构件尺寸选用表
设计参数:叠合层厚度—150mm,主梁宽度—300mm、400mm,构件截面形状—矩形,主次梁连接方式—牛担板连接。

5.2.3 本章框架梁构件端部键槽尺寸可按图 5.1.6-4 和表 5.2.3 选用,其他情况应由设计人员计算确定或验算后使用。
表 5.2.3 框架梁端部键槽尺寸选用表
设计参数:键槽端部斜面倾角—30°

5.3 梁构件配筋
5.3.1 梁构件配筋应由设计人员根据工程的具体情况计算确定,且考虑节点安装及钢筋避让要求,宜采用大直径、大间距的配筋方式。
【注释】
梁构件钢筋配置应根据计算、构造和节点连接锚固方式综合协调配置。
5.3.2 梁构件钢筋直径、间距及根数参照表 5.3.2-1 选用。

注:
1 抗震等级为一、二级的框架梁构件的梁端箍筋加密区宜采用整体封闭箍筋,其它可采用组合封闭箍;当梁受扭时宜采用整体封闭箍筋,且整体封闭箍筋的搭接部分宜设置在预制部分;次梁构件宜采用组合封闭箍筋;
2 梁构件下铁钢筋采用单排配筋设计。
6 柱
6.1 一般规定
6.1.1 本章柱截面采用对称配筋的矩形柱,见图 6.1.1;高度和宽度尺寸见表 6.1.1。

6.1.2 预制柱纵向钢筋应采用大直径、大间距的配筋方式:
(1)400mm、500mm 的采用四角配筋方式;
(2)600mm、700mm 的采用四角分别布置两根钢筋的方式。
6.1.3 梁柱节点构造参考《装配式混凝土结构技术规程》JGJ1-2014 中第 7.3.8 条款及条文说明。
6.1.4 柱构件的长度尺寸按式 6.1.4 计算。
柱构件的高度制作尺寸与层高、连接高度及基础埋深等有关,常用框架住宅层高按 3000mm、3300mm、3600mm 和 3900mm 选取,具体见公式 6.2.1:




6.2 柱构件的常用尺寸
柱构件应从柱构件尺寸选用表中选用,详见表 6.2-1。

6.3.1 柱构件钢筋选用表详见表 6.3.1。

▏转载出处:摘自《中国建设报》
▏原文链接:
▏转载声明:如涉及作品内容、版权和其它问题,请在30日内与本网联系,我们将在第一时间删除内容!本站此栏目版权归原作者原出处所有,本站只提供参考并不构成任何应用建议。本站拥有对此声明的最终解释权